Для чего и где применяются бахилы, рассказывать не буду, спросите у своих руководителей-инструкторов, но без них в зимнем походе в лучшем случае будете испытывать дискомфорт, в худшем... И, наоборот, с бахилами Ваши ноги будут постоянно сухие и в тепле.
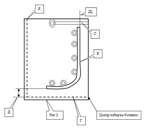
Хочу сразу заметить, что процесс изготовления достаточно трудоемкий и требует навык работы на швейной машинке с толстым материалом при использовании капроновых ниток. Поэтому, если Вы располагаете необходимыми средствами, советую приобрести бахилы в магазине, например "Баск". http://www.bask.ru/catalog/accessories/bahilly/9030/ Ну а если средств нет, а есть упорство, усидчивость и огромное желание, то вперед! В этой статье я рассмотрю изготовление наиболее простых бахил типа ╚Мешок╩ с шнуркам в качестве затяжки, без молнии и утеплителя Thinsulate. Необходимый материал: Изготовление ╚Верха╩: вырезаем прямоугольный кусок ткани, рис.1, где расстояние ╚А╩ √ равно длине канта вашего ботинка, плюс 3 см запаса. Расстояние ╚Б╩ √ высота от каблука до колена, плюс 2 см на загиб в верхней части бахил. Не забываем оставлять по одному см с каждой стороны на шов. Размер внутренней части, точно такой же, и его надо скрепить с внешней частью, можно наметать или приклеить точками клея. Заготавливаем кольца с кусочками ленты, как показано на рис.3 и пришиваем их под стропу "В", рис.2, с двух сторон бахил, где расстояние "Д" √ на уровне нижних колец шнуровки вашего ботинка, а ось "Д1" проходит по центру боковой части голени. Изготавливаем верхнюю затяжку бахил, рис. С: на один конец стропы пришиваем кольцо, на другой "липучку", размер "Ж" подберите сами так, чтобы стропа плотно облегала вашу ногу под коленом, с учетом толщины брюк. Пришиваем ее, как показано на рис.2, место "С". Вырезаем подошву, рис.4, исходя из размера подошвы вашего ботинка, плюс 1 см и 1 см на шов. Выворачиваем на изнанку наши заготовки и прошиваем по линии ╚Г╩, начиная с центра каблука, левую сторону до мыска, затем правую, или наоборот, как Вам удобнее. Далее прошиваем бахил по линии ╚Е╩ от подошвы. Вырезаем из пенки стельку по размеру подошвы вашего ботинка и вставляем внутрь бахил. Пенка предотвратит быстрый износ материала подошвы. Если предполагаем использовать в качестве подошвы галошу, то: берем, находим, покупаем галошу нужного размера. Галоша должна свободно налезать на Ваш ботинок. Как показано на рис.5, отрезаем верхнюю часть от нижней по линии отреза. Далее, пришиваем, голошу к верхней части бахил по линии ╚Г╩, только выворачивать заготовки на изнанку не надо. Пришивать придется, если нет опыта, в ручную суровыми нитками. Шов необходимо обработать клеем ╚Момент╩. Хороших походов






